VS1-12(ZN63)型側裝式真空斷路器系戶內高壓開關設備,適用于額定電壓12千伏、頻率50Hz的三相電力系統中,作為保護和控制電器使用,由于真空斷路器的特殊優越性,尤其使用與需要額定電流下的頻繁操作,或多次開斷短路的場所。
VS1-12型側裝式真空斷路器采用固定式安裝,主要用于固定式開關柜,該斷路器即可單獨使用,又可用于環網供電、箱式變或各種非標供電系統。
型號有:VS1-12/T630-25,VS1-12/T1250/31.5,VS1-12/1600-31.5
a.周圍空氣溫度:上限+40℃,下限-15℃;
b.海拔高度:≤1000m(若需增高海拔,則額定絕緣水平相應提高);
c.振幅:地震烈度不超過8度;
d.空氣相對濕度日平均值不大于95%,月平均值不大于90%;
e.無火災、爆炸危險、嚴重污染、化學腐蝕及劇烈震動的場所。

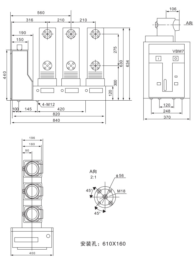
VS1-12(ZN63) 側裝式戶內高壓真空斷路器

關鍵詞:上海人民電器開關廠,VS1-12/630-25,VS1-12/1250/31.5,VS1-12/1600-31.5,VS1-12(ZN63)側裝戶內高壓真空斷路器