SRM10系列塑料外殼式斷路器(下簡稱斷路器),主要用于交流50Hz,額定電流從16A至630A,額定絕緣電壓至500V,額定工作電壓400V及以下的配電網格中用來分配電能及作為線路及電氣設備的過載、短路和欠電壓保護。在正常情況下,斷路器也可作為線路的不頻繁轉換之用,額定電流在400A及以下的斷路器亦可作為保戶電動機和電動機的不頻繁起動之用。本產品按GB140148.2及相關標準設計、制造和檢驗。

●周圍空氣溫度
a)周圍空氣溫度不超過+40℃,目其24h內的平均溫度值不超過+35℃。
b)周圍空氣溫度的下限為.5℃。
注:周圍空氣溫度上限超過+40℃或下限低于-5℃的工作條件,用戶應與制造廠協商。
●海拔:安裝地點的海拔不超過2000m。
●大氣條件
高溫度為+40℃時,空氣的相對濕度不超過50%,在較低溫度下可以允許有較高的相對濕度,例如+20℃時達90%。對由于溫度變化偶爾產生在產品上的凝露應采取特殊的措施,
●污染等級:污染等級3,裝于斷路器內附件污染等級為2,
●安裝類別:斷路器的主電路應為安裝類別,輔助電路和控制電路應為安裝類別Il
●安裝條件:斷路器一股應垂直安裝。
●斷路器型號及其含義


●分類
按斷路器操作方式為。手柄直接操作:轉動手柄操作(Z)。
按斷路器過電流脫扣方式分:瞬時脫扣(200);復式脫扣(300)。
●主電路的額定值
主電路的額定值見表2

●控制電路
分勵脫扣器及電動機構的額定控制電源電壓(Us)和欠電壓脫扣器的額定工作電壓(Ue)見表3

●輔助電路
輔助電路的輔助觸頭和報警觸頭,其結構在電氣上是不可分的·
輔助觸頭和報警觸頭額定值見表4

●輔助觸頭和報警的非正常接通與分斷能力見表5

注:T0.95的上限≈6Pe≤300mS。DC-13的通電時間當T0.95大于0.05S時至少為0.95。
輔助觸頭和報警觸頭與短路保護電器(SCPD)的協調配合。輔助觸頭和報警觸頭與熔斷器串聯(推薦選用RL6-25/6),在1.1倍額定工作電壓,功率在數為0.5~0.7間的電感試驗電路里,能夠承受熔斷器熔斷時間內通過預期短路電流為1000A的考核。
●材料
斷路器外殼和轉軸的絕緣件,具有不低于B級絕緣材料等級的要求,所有黑色金屬件除摩擦部件及斷面和雙金屬均有防蝕層。
●電氣間隙和爬電距離
電氣間隙和爬電距離見表6

●操作機構
斷路器具有自由脫扣機構,動作靈活。操作機構手柄和主電路帶電部件有良好的絕緣,確保使用人員的操作安全。
●操作條件
1、用分勵脫扣器斷開
當電源電壓等于額定控制電源電壓值Us的(70-110%)之間任一電壓時,則在斷路器的所有操作條件下分勵脫扣器導致斷路器脫扣。
2、用欠電壓脫扣器斷開
當電源電壓下降(甚至緩慢下降)到額定工作電壓的70%至35%范圍內欠電壓脫扣器動作使斷路器斷開,在電源電壓小于及等于欠電壓脫扣器額定工作電壓的35%時,欠電壓脫扣器能防止斷路器閉合;電源電壓等于或大于欠電壓脫扣器額定工作電壓的85%時,在熱態條件下,能保證斷路器可靠閉
3、過電流脫扣器在過載情況下(反時限動作)斷開
a)配電保護用斷路器
配電保護用斷路器在基準周圍空氣溫度+30℃±2℃下,各極同時通電時無溫度補償的反時限斷開特性見表7。

b)電動機保護用斷路器
電動機保護用斷路器在周圍空氣溫度為+40℃±2℃時,各極同時通電時,無溫度補償的反時限斷開特性見表8。

c)作電動機保護用時三極過載脫扣器在二極通電時的斷開特性對于三極過載脫扣器,在周圍空氣溫度+40℃±2℃,從冷態開始三極通以1倍整定電流,在2h內應不脫扣·緊接著當兩極的電流增加到1一25倍整定電流,目第三極不通電時應在2h內脫扣。
4、過電流脫扣器短路情況下斷開見表9
●操作性能
斷路器操作性能用循環操作次數表示應能滿足表10和表11規定

注:短路保護整定電流值51n或121n的斷路器為特殊定制產品。

注:每個通電操作循環期間,斷路器保持接通最長時間為2s。

注:每個通電操作循環期間,斷路器保持接通最長時間為2s。
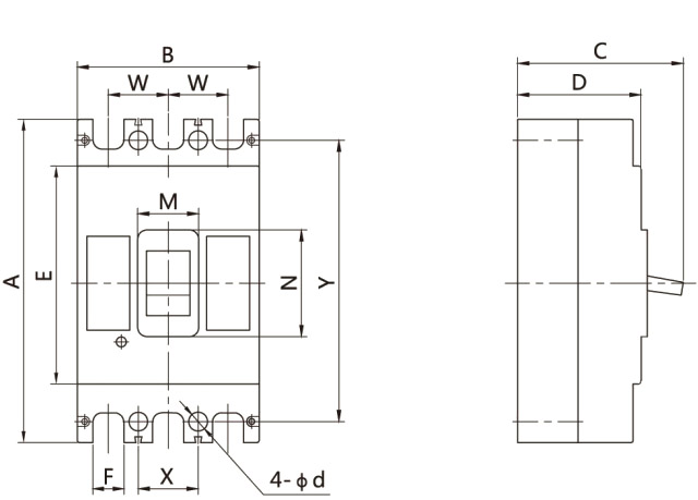
斷路器的外形尺寸和安裝尺寸見下圖和表12


上海人民電器開關廠常規型號有:SRM10-100,SRM10-160,SRM10-250,SRM10-400,SRM10-630
●以下各項在訂貨時務請填寫清楚
●斷路器型號;
●脫扣器額定電流值,
●短路保護電流整定值(訂貨時如不注明,一律按101n供貨);
●脫扣方式及附件代號(見表1):訂貨日囗不注明一律按不裝附件(即3300)供貨:當訂購帶分勵脫扣
器或欠壓脫扣器的斷路器時必須注明額定控制電源電壓值(見表3),
注:對選用SRM10-100產品帶附件時建議選用SRM10-160產品相應電流規格和附件進行替代。
●訂貨數量,
●如用戶對斷路器有特殊要求時須經我公司技術部門同意后可簽訂合同;
●填寫舉例:SRMI10-630/3300 500A帶分勵脫扣器、交流220V、100臺。
關鍵字:上海人民電器開關廠,CXM1-63S,CXM1-125S,CXM1-250S,CXM1-400S,CXM1-630S,CXM1塑殼斷路器