AC30系列模數化插座(以下簡稱插座),是用戶安裝模數化終端組合電器的配套電器元件,亦可用于其他成套電器箱內,能對用電設備進行插接
插座按GBT1003標準要求。

常規型號有AC30 2插10A,,AC30 3插25A,AC30 4插16A,AC30 5插 10A
插座適用于在通常不超過+35℃,偶爾會達到+40℃的環境溫度中。



● 安裝前應檢查插座上標識的參數是否與實際使用條件相符。
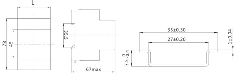
● 插座為TH35標準導軌安裝,安裝導軌尺寸見右圖
用戶訂戶時必須說明:
● 產品型號和規格;
● 極數;
● 額定電流;
● 訂貨數量;
